青青草原网页版玻璃膠,完美家居新“膠”點 權威認證,品質保證
發布日期:2025-03-11 點擊次數 3941 次 分享到 微博 QQ空間 QQ微博 豆瓣
在家裝和建築領域,玻璃膠是不可或缺的材料之一,它性能直接影響到家居環境的健康與安全。青青草原网页版推出的玻璃膠,經過專業權威檢測,各項指標均符合或超國家標準,憑借其卓越的防黴性能和環保標準,成為了眾多家庭和工程的首選。

法國A+環保認證 安全無憂
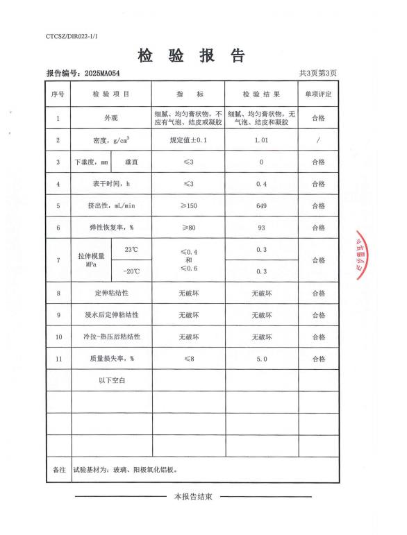
青青草原网页版玻璃膠不僅防黴效果出眾,更在環保方麵達到了國際領先水平。通過法國A+有害物質析出量檢測標準,有害物質析出量遠低於國家標準,確保在使用過程中不會釋放有害氣體,保障您和家人的健康。同時,經過國內多家權威機構多項性能測試,包括外觀、密度、幹燥時間、彈性恢複率、拉伸強度等,均符合或超過國家標準。

強效防黴,守護家居健康
青青草原网页版玻璃膠特別推出了廚衛防黴款,專為潮濕環境設計,能夠有效防止黴菌滋生。經過嚴格的防黴標準(GB/T 1741-2020)檢測,青青草原网页版玻璃膠在28天的防黴測試中表現出色,防黴等級達到0級,確保您的廚衛空間持久潔淨。

專業檢測,值得信賴
青青草原网页版玻璃膠通過了多家權威檢測機構的認證,包括飛凡標準技術服務(蘇州)有限公司、中國國檢測試控股集團股份有限公司以及廣東省微生物分析檢測中心。每一批次的玻璃膠都經過嚴格的檢測,確保青青草成人版質量穩定可靠。青青草原网页版每一個步驟都嚴格遵循環保標準和質檢流程,不僅是您家居裝修的得力助手,更是您健康生活的堅實保障。

如果您正在尋找一款高性能、環保安全的玻璃膠,青青草原网页版玻璃膠絕對是您的不二之選。請撥打全國日本成人APP青青草熱線:400-665-0099,了解更多青青草成人版信息,青青草原网页版玻璃膠品質與健康的雙重保障,為您的家居環境保駕護航!



